검색결과 리스트
글
반응형
전산응용기계제도기능사/컴퓨터응용밀링기능사/컴퓨터응용선반기능사 시험에 나오는것만 공부하자.

※ 전산응용기계제도기능사 필기 과년도 기출문제
1. 도면의 척도가 “1:2”로 도시되었을 때 척도의 종류는?
① 배척
❷ 축척
③ 현척
④ 비례척이 아님
2. 다음 중 척도의 기입 방법으로 틀린 것은?
① 척도는 표제란에 기입하는 것이 원칙이다.
② 표제란이 없는 경우에는 부품 번호 또는 상세도의 참조 문자 부근에 기입한다.
❸ 한 도면에는 반드시 한 가지 척도만 사용해야 한다.
④ 도형의 크기가 치수와 비례하지 않으면 NS 라고 표시한다.
3. 기계제도 도면에 사용되는 척도의 설명이 틀린 것은?
① 한 도면에서 공통적으로 사용되는 척도는 표제란에 기입한다.
② 도면에 그려지는 길이와 대상물의 실제 길이와의 비율로 나타 낸다.
❸ 척도의 표시는 잘못 볼 염려가 없다고 하여도 반드시 기입 하여야 한다.
④ 같은 도면에서 다른 척도를 사용할 떄에는 필요에 따라 그림 부근에 기입한다.
4. 척도 기입 방법에 대한 설명으로 틀린 것은?
① 척도는 표제란에 기입하는 것이 원칙이다.
❷ 같은 도면에서는 서로 다른 척도를 사용할 수 없다.
③ 표제란이 없는 경우에는 도명이나 품번 가까운 곳에 기입한다.
④ 현척의 척도 값은 1:1 이다.
5. KS규격에서 정한 척도 중 우선적으로 사용되지 않는 축척은?
① 1:2
❷ 1:3
③ 1:5
④ 1:10
6. 다음 축척의 종류 중 우선적으로 사용되는 척도가 아닌 것은?
① 1 : 2
❷ 1 : 3
③ 1: 5
④ 1 : 10
7. 도면에 표시된 척도에서 비례척이 아님을 표시하고자 할 때 사용하는 기호는?
① SN
❷ NS
③ CS
④ SC
8. 길이가 50㎜인 축을 도면에 5:1 척도로 그릴 때 기입되는 치수로 옳은 것은?
① 10
② 250
❸ 50
④ 100
9. 도면에서 100㎜를 2:1 척도로 그릴 때 도면에 기입되는 치수는?
① 10
② 200
③ 50
❹ 100
10. 척도의 표시법 A : B 의 설명으로 맞는 것은?
① A는 물체의 실제 크기이다.
② B는 도면에서의 크기이다.
❸ 배척일 때 B를 1로 나타낸다.
④ 현척일 때 A만을 1로 나타낸다.
11. 도면의 표제란에 척도가 1:2로 기입되어 있다면 이 도면에서 사용된 척도의 종류는?
① 현척
② 배척
❸ 축척
④ 실척
12. 도면을 그릴 때 척도를 결정하는 기준이 되는 것은?
① 물체의 재질
② 물체의 무게
❸ 물체의 크기
④ 물체의 체적
13. 도면에서 100㎜를 2:1 척도로 그릴 때 도면에 기입되는 치수는?
① 10
② 200
③ 50
❹ 100
14. 기계제도 도면에 사용되는 척도의 설명이 틀린 것은?
① 도면에 그려지는 길이와 대상물의 실제 길이와의 비율로 나타낸다.
② 한 도면에서 공통적으로 사용되는 척도는 표제란에 기입한다.
③ 같은 도면에서 다른 척도를 사용할 때에는 필요에 따라 그림 부근에 기입한다.
❹ 배척은 대상물보다 크게 그리는 것으로 2:1, 3:1, 4:1, 10:1 등 제도자가 임의로 비율을 만들어 사용한다.
15. 척도 기입 방법에 대한 설명으로 틀린 것은?
① 척도는 표제란에 기입하는 것이 원칙이다.
❷ 같은 도면에서는 서로 다른 척도를 사용할 수 없다.
③ 표제란이 없는 경우에는 도명이나 품번 가까운 곳에 기입한다.
④ 현척이 가장 보편적으로 사용된다.
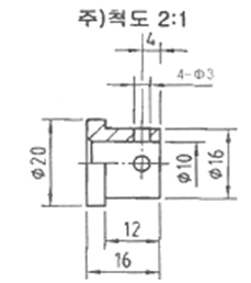
16. 다음 그림에 대한 설명으로 옮은 것은?

① 실제제품을 1/2로 줄여서 그린 도면이다.
❷ 실제 제품을 2배로 확대해서 그린 도면이다.
③ 치수는 실제 크기를 1/2로 줄여서 기입한 것이다.
④ 치수는 실제 크기를 2배로 늘려서 기입한 것이다.
17. 다음 중에서 현척의 의미(뜻)는 어느 것인가?
① 실물보다 축소하여 그린 것
② 실물보다 확대하여 그린 것
③ 실물과 관계없이 그린 것
❹ 실물과 같은 크기로 그린 것
18. 우선적으로 사용하는 배척의 종류가 아닌 것은?
① 50 : 1
❷ 25 : 1
③ 5 : 1
④ 2 : 1
반응형
'[전산응용기계제도기능사] > 필기 기출문제 풀이' 카테고리의 다른 글
| 전산응용기계제도기능사 - 스프로킷 휠 도시방법[시험에 나오는것만 공부하자] (0) | 2021.02.17 |
|---|---|
| 전산응용기계제도기능사 - 센터 구멍의 표시 방법[시험에 나오는것만 공부하자] (0) | 2021.02.17 |
| 전산응용기계제도기능사 - 길이방향으로 절단하지 않는 부품[시험에 나오는것만 공부하자] (0) | 2021.02.17 |
| 전산응용기계제도기능사 - V-벨트 단면의 치수[시험에 나오는것만 공부하자] (0) | 2021.02.17 |
| 전산응용기계제도기능사 - 선 굵기의 종류 [시험에 나오는것만 공부하자] (0) | 2021.02.17 |
| 전산응용기계제도기능사 - 평면 부분 도시[시험에 나오는것만 공부하자] (0) | 2021.02.17 |
| 전산응용기계제도기능사 - 치수 배치 방법[시험에 나오는것만 공부하자] (0) | 2021.02.17 |
| 전산응용기계제도기능사 - 스케치 방법의 종류[시험에 나오는것만 공부하자] (0) | 2021.02.17 |
| 전산응용기계제도기능사 - 불변강 [시험에 나오는것만 공부하자] (0) | 2021.02.16 |
| 전산응용기계제도기능사 - 제3각법과 제1각법의 비교[시험에 나오는것만 공부하자] (3) | 2021.02.16 |

RECENT COMMENT