검색결과 리스트
글
반응형
전산응용기계제도기능사/컴퓨터응용밀링기능사/컴퓨터응용선반기능사 시험에 나오는것만 공부하자.

※ 전산응용기계제도기능사 필기 과년도 기출문제
1. 기하 공차의 종류와 기호 설명이 잘못된 것은?

2. 다음 기하공차의 기호 중 위치도 공차를 나타내는 것은?

3. 다음 기하 공차 중 모양 공차에 속하지 않는 것은 ?

4. 다음 기하공차 종류 중 단독형체가 아닌 것은?
① 진직도
② 진원도
❸ 경사도
④ 평면도
5. 기하 공차의 종류 중 모양 공차에 해당되지 않는 것은?
❶ 평행도 공차
② 진직도 공차
③ 진원도 공차
④ 평면도 공차
6. 기하공차의 종류를 나타낸 것 중 틀린 것은?
① 진직도(―)
② 진원도(○)
❸ 평면도(□)
④ 원주 흔들림(↗)
7. 기하 공차의 기호 중 진원도를 나타낸 것은?

8. 다음 기하공차의 종류 중 위치공차 기호가 아닌 것은?

9. 기하공차의 종류 중 적용하는 형체가 관련 형체에 속하지 않는 것은?
① 자세 공차
❷ 모양 공차
③ 위치 공차
④ 흔들림 공차
10. 기하 공차의 기호와 공차의 명칭이 서로 맞는 것은?
❶ - : 진직도 공차
② ◎ : 위치도 공차
③ ○ : 원통도 공차
④ ∠ : 동심도 공차
11. 기하 공차의 구분 중 모양 공차의 종류에 속하지 않는 것은?
① 진직도 공차
❷ 평행도 공차
③ 진원도 공차
④ 면의 윤곽도 공차
12. 기하공차 기호에서 다음 중 자세 공차를 나타내는 것이 아닌 것은?
❶ 대칭도 공차
② 직각도 공차
③ 경사도 공차
④ 평행도 공차
13. 다음 기하공차의 종류 중 단독 모양에 적용하는 것은?
❶ 진원도
② 평행도
③ 위치도
④ 원주흔들림
14. 기하공차의 종류에서 위치공차에 해당하는 것은?
① 평면도
② 원통도
❸ 동심도
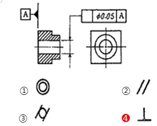
④ 직각도
15. 기하공차 기호에서 ◎은 무엇을 나타내는가?
① 진원도
❷ 동축도
③ 위치도
④ 원통도
16. 다음 중 기준이 되는 데이텀을 바탕으로 허용 값이 정해지는 관련 형체에 적용되는 기하공차는?
① 진직도 공차
② 진원도 공차
❸ 직각도 공차
④ 원통도 공차
17. 기하 공차의 기호 연결이 옳은 것은?

18. 기하 공차 중 원통도 공차를 나타내는 기호는?

19. 기하공차의 구분 중 모양공차의 종류에 해당하는 것은?

20. 데이텀이 필요치 않은 기하공차의 기호는?

21. 기하공차의 표시 기호 중 모양 공차에 해당하지 않는 것은?


23. 다음 기하공차 중에서 데이텀이 필요 없이 단독형체로 적용되는 것은?
① 평행도
❷ 진원도
③ 동심도
④ 대칭도
24. 기하공차 기호 중 자세를 규제하는 기호가 아닌 것은?

25. 기하 공차의 종류와 기호 설명이 틀린 것은?
① // : 평행도 공차
② ↗ : 원주 흔들림 공차
❸ ○ : 동축도 또는 등심도 공차
④ ⊥ : 직각도 공차
26. 다음 기하공차의 종류를 나타낸 것 중 틀린 것은?
① 진직도 ( ─ )
❷ 평면도 ( □)
③ 진원도 ( ○ )
④ 원주 흔들림 ( ↗ )
27. 기하 공차의 종류 중 자세 공차가 아닌 것은?
① ∕∕
② ⊥
❸ ⌖
④ ∠
28. 기하공차의 구분에서 자세공차에 해당하지 않는 것은?
① 평행도 공차
② 직각도 공차
③ 경사도 공차
❹ 진직도 공차
29. 기하 공차의 구분 중 모양 공차의 종류에 속하지 않는 것은?
① 진직도 공차
❷ 평행도 공차
③ 진원도 공차
④ 면의 윤곽도 공차
30. 기하공차의 종류 중 동심도공차를 나타내는 기호는?

31. 다음 중 기하공차의 기호 설명으로 잘못 된 것은?

32. 기하 공차의 기호 중 동심도를 나타낸 것은?

33. 기하공차의 종류와 기호가 잘못 연결된 것은?

34. 기하공차의 종류에서 위치공차인 것은?
① 평면도
② 원통도
❸ 동심도
④ 직각도
35. 기하 공차의 종류와 기호 설명이 잘못된 것은?

36. 다음 기하공차에 대한 설명으로 틀린 것은?
① ○ - 진원도 공차
② ∠ - 경사도 공차
③ ⊥ - 직각도 공차
❹ ◎ - 흔들림 공차
37. 다음 기하공차 중에서 데이텀이 필요없이 단독으로 규제가 가능한 것은?
① 평행도
❷ 진원도
③ 동심도
④ 대칭도
38. 다음 기하공차 중 평행도 공차기호는 어느 것인가?
❶ //
② ⊥
③ ∠
④ ―
39. 기하 공차의 기호 연결이 옳은 것은?

40. 다음 중 기하 공차를 분류한 것으로 틀린 것은?
① 모양 공차
② 자세 공차
③ 위치 공차
❹ 치수 공차
41. 기하공차의 구분에서 자세 공차에 해당되지 않는 것은?
① 평행도 공차
② 직각도 공차
③ 경사도 공차
❹ 진직도 공차
42. 다음 기하공차 기호 중 원통도 공차의 기호는?

43. 다음 기하공차의 종류 중 모양공차에 해당되는 것은?

44. 다음 중 기하공차의 기호 설명이 잘못된 것은?

45. 기하공차의 종류에서 위치공차와 관련이 있는 것은?
① 평면도
② 원통도
❸ 동심도
④ 직각도
46. 기하공차의 종류에서 위치 공차에 해당되지 않는 것은?
① 위치도 공차
② 동축도 공차
③ 대칭도 공차
❹ 평면도 공차
47. 다음 기하 공차 중에서 자세 공차에 해당하는 것은?
❶ - : 진직도 공차
② ⊥ : 직각도 공차
③ ◎ : 동심도 공차
④ ↗ : 원주 흔들림 공차
48. 기하공차의 종류 중 자세공차가 아닌 것은?

49. 아래 도면의 기하공차가 나타내고 있는 것은?

50. 그림의 “C" 부분에 들어갈 기하 공차 기호로 가장 알맞은 것은?

51. 다음은 스퍼 기어를 나타낸 것이다. 이 끝부분에는 어떤 기하공차가 가장 적당한가?

52. 다음의 기하 공차는 무엇을 뜻하는가?

53. 다음 그림이 뜻하는 기하공차는?

54. 다음 그림과 같이 기하공차를 적용할 때 알맞은 기하공차 기호는?

55. 보기의 그림에서 ㉮부와 ㉯부에 두개의 베어링을 같은 축선에 조립하고자 한다. 이때 ㉮부를 기준으로 ㉯부에 기하공차를 결정할 때 가장 올바른 것은?

56. 다음 중 모양 공차의 종류에 속하지 않는 것은?
① 평면도 공차
② 원통도 공차
❸ 평행도 공차
④ 면의 윤곽도 공차
57. 다음 중 모양 공차에 속하지 않는 것은?
① 평면도 공차
② 원통도 공차
③ 면의 윤곽도 공차
❹ 평행도 공차
반응형
'[전산응용기계제도기능사] > 필기 기출문제 풀이' 카테고리의 다른 글
| 전산응용기계제도기능사 - 치수 보조 기호[시험에 나오는것만 공부하자] (0) | 2021.02.16 |
|---|---|
| 전산응용기계제도기능사 - 기하 공차 기입 방법[시험에 나오는것만 공부하자] (0) | 2021.02.16 |
| 전산응용기계제도기능사 - 사인바[시험에 나오는것만 공부하자] (0) | 2021.02.16 |
| 전산응용기계제도기능사 - 가상선의 용도[시험에 나오는것만 공부하자] (0) | 2021.02.16 |
| 전산응용기계제도기능사 - 특수 지정선[시험에 나오는것만 공부하자] (0) | 2021.02.15 |
| 전산응용기계제도기능사 - 버니어 캘리퍼스 측정값[시험에 나오는것만 공부하자] (0) | 2021.02.15 |
| 전산응용기계제도기능사 - 진원도 측정방법[시험에 나오는것만 공부하자] (0) | 2021.02.15 |
| 전산응용기계제도기능사 - 공기 마이크로미터[시험에 나오는것만 공부하자] (0) | 2021.02.15 |
| 전산응용기계제도기능사 - 절삭 공구의 종류 [시험에 나오는것만 공부하자] (0) | 2021.02.15 |
| 전산응용기계제도기능사 - 공구재료의 구비조건[시험에 나오는것만 공부하자] (0) | 2021.02.15 |

RECENT COMMENT